新闻中心 - 英国Prosys - 英国GMC-I PROSyS

全国咨询电话:13817443004

当前位置:首页 > 新闻中心
  • 11

    2024-12

    电压互感器空载损耗如何测量

    电压互感器空载损耗如何测量:

    前言

    电压互感器在电力系统中扮演着至关重要的角色,其主要作用是将高电压转换为可供测量和继电保护使用的低电压。然而,在实际运行中,电压互感器会产生一定的空载损耗,这会影响其工作效率和性能。因此,测量和分析电压互感器的空载损耗显得尤为重要。本文将详细介绍几种常用的测量方法和相关步骤,以帮助技术人员更好地理解和操作这项关键工作。

    一、单相变压器空载试验

    1. 试验接线

    单相变压器的空载试验通常采用图1-1所示的连接方式:

    仪表直接入:当试验电压和电流不超过仪表的额定值时,可以直接将测量仪表接入测量回路。

    仪表经互感器接入:当电压和电流超过仪表额定值时,可以通过电压互感器和电流互感器接入测量回路。 这种接线方式适用于初步测试和一般性测量,可以快速获得基本的空载参数。

    2. 试验步骤

    确保安全接线:检查所有接线是否牢固可靠,特别是高压部分。

    逐步升压:从低压开始逐步增加输入电压,观察仪表读数变化。

    记录数据:在不同电压下记录相应的空载电流I0和空载损耗P0。

    3. 计算方法

    根据测得的数据,可以使用以下公式计算空载损耗和空载电流百分比: [ P_0 = ext{测量所得的功率} ] [ I_0(%) = frac{ ext{测量所得的空载电流}}{I_N} imes 100% ] ( I_N ) 为变压器额定电流。

    二、三相变压器空载试验

    1. 两功率表法

    对于三相变压器的空载试验,常用的方法是两功率表法(见图1-2(a)),通过两个瓦特表分别测量各相的功率。此外,还可以采用经过互感器接入的方法来提高测量精度(见图1-2(b))。

    电压互感器空载损耗如何测量

    2. 三功率表法

    当需要更高的精度时,可以采用三功率表法(见图1-2©)。这种方法能够更精确地测量出每相的功率损耗,适用于大容量变压器的测量。

    3. 计算方法

    使用两功率表法时的计算公式如下: [ P_0 = P_1 + P_2 ] [ I0(%) = frac{I{0a} + I{0b} + I{0c}}{3I_N} imes 100% ] 对于三功率表法的计算公式为: [ P_0 = P_1 + P_2 + P_3 ] [ I0(%) = frac{I{0a} + I{0b} + I{0c}}{3I_N} imes 100% ]

    三、降低电压下的空载试验

    在某些情况下,由于现场条件限制,可能需要在较低电压下进行空载试验。此时应注意选择合适的仪表量程,并考虑线路和其他附加损耗的影响。

    1. 试验接线

    与正常电压试验相同,只是施加较低的试验电压。

    2. 换算公式

    根据低电压下的测量结果,可以使用以下公式换算到额定电压下的空载损耗: [ P_0 = P’_0 left( frac{U_N}{U’} ight)^n ] ( U’ ) 为试验时所加电压;( U_N ) 为额定电压;( P’_0 ) 为电压为( U’ )时测得的空载损耗;( n )为常数,一般取值为1.8至2之间。

    四、直接用系统电源进行空载试验

    在现场没有足够大的调压器和变压器时,可以直接利用系统电源进行空载试验。这种方法简便易行,但需要注意以下几点:

    调整系统电压:确保系统电压稳定,并在适当的范围内波动。

    避免涌流影响:合闸后待涌流通过后再读取数据,以避免对仪表的冲击。

    安全措施:仔细检查变压器及相关设备的状态,确保无误后方可进行试验。

    结论

    准确测量电压互感器的空载损耗对于保证电力系统的正常运行至关重要。无论是使用传统的单相或三相变压器空载试验方法,还是在低电压条件下进行试验,或是利用现代专用测试仪器,每一种方法都有其特定的应用场景和优势。通过合理选择和正确操作,可以有效地评估和维护电压互感器的性能,从而提高整个电力系统的稳定性和可靠性

  • 09

    2025-01

    电流互感器串联变大还是并联变大

    电流互感器串联变大还是并联变大:

    电流互感器在电力系统中扮演着至关重要的角色,用于测量和变换电流,确保系统安全、有效地运行。当涉及到电流互感器的串联与并联变接法时,很多人可能会感到困惑。究竟哪种方法会使电流变大呢?本文将对此问题进行深入探讨。

    一、电流互感器的基本工作原理

    电流互感器(Current Transformer,简称CT)是一种电气设备,其基本功能是将高电流转换成低电流,以便测量和保护装置能够处理。它通过电磁感应原理工作,一次绕组接入高电流电路,二次绕组输出低电流信号。

    二、电流互感器的串联变接法

    定义:电流互感器的串联变接法是指将两个或多个互感器按照一定的顺序连接在一起,共享同一个电路。

    特点:

    电流分配均匀:在串联变接法中,电流会从一个互感器流向另一个互感器,因此电流分布相对均匀。

    允许负载阻抗增加:由于感应电动势E增大一倍,因而其允许负载阻抗数值也增加一倍。这意味着在需要扩大电流互感器的容量时,可以采用二次绕组串联接线。

    影响:

    二次回路内的电流不变。

    容量增加一倍,准确度亦不变。例如,LAJ-10型电流互感器在串联前后的变比和误差均保持不变,但容量增加了一倍。

    结论:串联变接法不会使电流变大,但会增加电流互感器的容量和允许负载阻抗。

    三、电流互感器的并联变接法

    定义:电流互感器的并联变接法是指将两个或多个互感器的二次绕组并联接线。

    特点:

    分担电流负担:并联后的每个互感器共同承担电流测量任务,类似于一支足球队中的分工合作。

    总电流增加:由于并联连接的特性,总电流是各个支路电流的矢量和。

    影响:

    一次额定电流为原来的额定电流的1/2。

    变比为原变比的1/2。例如,若一个电流互感器的原变比为75/5,并联后的新变比可能变为75/10。

    结论:并联变接法可以使总电流变大,但同时会改变电流互感器的变比和一次额定电流。

    四、串联与并联变接法的选择

    在选择电流互感器串联或并联变接法时,需要考虑以下因素:

    测量需求:根据系统的测量需求选择合适的变比和容量。

    负载特性:考虑系统的负载特性,包括负载类型(如电阻、电感、电容)和负载变化范围。

    经济性:在满足技术要求的前提下,尽量选择经济性好的方案。 电流互感器的串联与并联变接法各有其特点和应用场景。串联变接法主要用于扩大电流互感器的容量和允许负载阻抗,而并联变接法则可以增加总电流并改变变比。在选择时,需要综合考虑测量需求、负载特性和经济性等因素。

  • 31

    2024-12

    互感器电流如何转换为功率因数

    互感器电流如何转换为功率因数:

    前言

    在现代电力系统中,功率因数是一个关键指标,它反映了电力设备运行的效率和稳定性。功率因数定义为有功功率与视在功率的比值,其数值范围从0到1。本文将详细介绍如何通过电流互感器电流信号转换为功率因数,并探讨其中的理论基础、计算方法以及实际应用。

    一、基本理论

    1.1 什么是功率因数

    功率因数(Power Factor, PF)是有功功率(P)与视在功率(S)之间的比值,通常用余弦函数表示为: [ ext{PF} = cos(phi) = frac{P}{S} ] ϕ是电压与电流之间的相位差。功率因数越接近1,表示电路中用于做功的有功功率比例越高,无功功率越低,电路效率越高。

    1.2 电流互感器的基本原理

    电流互感器(Current Transformer CT)依据电磁感应原理工作,它将大电流转换为标准小电流,以便测量和继电保护使用。电流互感器的一次侧绕组匝数很少,直接串联在待测电流回路中;二次侧绕组匝数较多,连接测量仪表或保护装置。

    互感器电流如何转换为功率因数

    二、互感器电流转换的基本步骤

    2.1 数据采集

    电流互感器将大电流按比例转换为小电流信号,这些信号通常是毫安级的,适合数字化仪表处理。为了确保高精度,通常会进行多次采样并取平均值。

    2.2 信号调理

    为了保护后续的数据处理电路,需要在A/D转换之前加入限幅电路,以避免电压过高或过低导致的数据失真。

    2.3 数字化处理

    经过信号调理后的信号输入到模数转换器(ADC),将其转换为数字信号。这些数字信号再通过快速傅里叶变换(FFT)或其他算法进行处理,计算出电压、电流的有效值以及相位差。

    2.4 功率因数计算

    利用采样得到的电压和电流数据,通过公式计算得到视在功率、有功功率和无功功率,进而计算出功率因数。 [ ext{视在功率} S = U{ ext{rms}} imes I{ ext{rms}} ] [ ext{有功功率} P = U{ ext{rms}} imes I{ ext{rms}} imes cos(phi) ] [ ext{无功功率} Q = U{ ext{rms}} imes I{ ext{rms}} imes sin(phi) ] 由此可得功率因数: [ ext{PF} = cos(phi) = frac{P}{S} ]

    三、实际应用与案例分析

    3.1 DSP技术在功率因数检测中的应用

    数字信号处理器(DSP)因其高效能和快速计算能力常被用于实时监测系统。通过DSP结合FFT算法,能够快速准确地计算功率因数。例如,一个典型的DSP检测系统会在一个工频周期内对电压和电流信号采样多个点,然后利用FFT算法计算各次谐波分量,进而求得相位差和功率因数。

    3.2 过零点检测法的应用

    过零点检测法是一种通过检测电压和电流波形过零点的时间差来计算相位差的方法。该方法硬件实现简单、成本低,适用于一些只需功率因数检测的场合。然而,其缺点在于无法计算有功功率和无功功率,仅能判断功率因数角的正负。

    四、总结与展望

    通过电流互感器将电流信号转换为功率因数,对于提高电力系统的运行效率和稳定性具有重要意义。随着电力电子技术和数字信号处理技术的发展,这一转换过程变得更加高效和准确。未来,随着智能电网和分布式发电系统的普及,互感器及其相关技术将在更多领域发挥更加重要的作用。

  • 07

    2025-01

    钳形电流表的构成与工作原理

    钳形电流表的构成与工作原理

    钳形电流表的构成与工作原理

    电气测量领域中,钳形电流表是一种非常实用的工具,它允许技术人员在不需要断开电路的情况下快速测量交流或直流电流。这种便携性和易用性使得钳形电流表成为电工和维修人员重要的仪器。

    本文将详细介绍钳形电流表的组成部分,帮助读者更好地理解其结构与功能。 

    第一部分:钳形电流表的基本组成 钳形电流表主要由以下几个部分组成:铁心、线圈、显示屏、选择开关和外壳。其中,核心的部分是铁心和线圈,它们共同构成了钳形电流表的传感器部分,负责感应电流并转换为电信号。 

    第二部分:铁心和线圈的作用 铁心通常由软磁性材料制成,它的存在是为了增强磁场的强度,从而提高测量的灵敏度。线圈缠绕在铁心上,当钳口夹住通电导线时,导线周围产生的交变磁场会穿过铁心和线圈,根据电磁感应原理,线圈中会产生感应电动势,进而产生感应电流。这个感应电流的大小与被测电流成正比,通过测量这个感应电流,就可以间接得知被测电流的大小。 

    第三部分:显示屏的功能 现代钳形电流表通常配备有数字显示屏,它可以直观地显示测量结果。一些高级型号还可能提供模拟条形图或波形显示,以便用户更详细地分析电流特性。显示屏上还会显示电池电量、测量单位等信息,方便用户了解仪器状态并进行正确的读数。 

    第四部分:选择开关的重要性 选择开关允许用户根据需要测量不同类型的电流(如交流或直流)以及不同的量程。正确选择测量模式对于获取准确的测量结果至关重要。此外,一些钳形电流表还具有数据保持、自动关机等功能,这些都可以通过选择开关进行设置。 

    第五部分:外壳的设计考量 钳形电流表的外壳不仅要保护内部元件免受损害,还要考虑到操作的便捷性和安全性。因此,外壳通常采用坚固耐用的材料制造,并设计成易于握持的形状。同时,为了防止误触高压线路造成危险,外壳还需要有良好的绝缘性能。 

    钳形电流表作为一种便捷的电流测量工具,在电气工作中扮演着重要角色。了解其基本构成有助于用户更加熟练地使用这种仪器,确保测量的准确性和效率。从铁心和线圈的精密构造到显示屏的直观展示,再到选择开关的多功能性,每一个部分都是钳形电流表准确测量的关键。而坚固且安全的外壳设计,则保证了使用者的操作安全。通过对这些组成部分的学习,我们可以更深入地理解钳形电流表的工作原理,为日常的电气检测工作提供强有力的支持。

  • 03

    2025-01

    电压互感器和电流互感器区别

    电压互感器和电流互感器区别:

    一、定义与工作原理的区别

    1. 电压互感器(PT)

    电压互感器(PT)是一种将高电压转换为低电压的装置,主要用于测量、保护和控制。其工作原理类似于变压器,通过电磁感应原理将一次侧的高电压按比例降低到二次侧的低电压(通常为100V或更低),以便后续设备能安全地进行测量和控制。电压互感器的一次绕组匝数较多,通常直接接在高压母线上,而二次绕组匝数较少,与仪表、继电器等设备连接。特点:

    工作状态:二次侧不允许短路,但允许开路(不能长期开路,会影响测量精度)。

    阻抗:相对于二次侧负荷来说,一次内阻抗较小,可忽略不计,相当于一个电压源。

    磁通密度:正常工作时接近饱和值,故障时会下降。

    2. 电流互感器(CT)

    电流互感器(CT)是一种将大电流转换为小电流的设备,用于测量和继电保护。其工作原理也是基于电磁感应,一次绕组串联在需要测量电流的线路中,而二次绕组则与测量仪器和保护装置连接。电流互感器的一次绕组匝数很少,甚至只有一到两匝,因此它能够承受很大的电流;二次绕组则有较多的匝数以产生适合测量的小电流(通常是5A或1A)。特点:

    工作状态:二次侧不允许开路,但可以短路(实际运行时接近短路状态)。

    阻抗:一次绕组内阻很大,相当于一个内阻无穷大的电流源。

    磁通密度:正常工作时磁通密度较低,短路时由于一次侧电流极大,磁通密度显著增加。

    二、应用场景的不同之处

    1. 电压互感器(PT)的应用

    电压互感器广泛应用于电力系统中的各个环节,包括但不限于以下几个方面:

    测量用:用来测量电网高电压,确保工作人员的安全。

    保护用:作为继电保护装置的一部分,监测电网中的电压异常。

    控制用:提供可靠的低电压信号给控制系统和调节系统。

    电能计量:用于计算电网中的电能消耗。

    绝缘监测:辅助进行绝缘监测和检查。

    2. 电流互感器(CT)的应用

    电流互感器同样在电力系统中扮演着重要角色,其主要应用领域包括:

    测量用:测量线路中的大电流,便于监控电网运行状态。

    保护用:作为继电保护装置的一部分,检测线路是否过载或短路,并触发相应的保护动作。

    监控系统:向监控和自动化系统提供实时电流数据。

    电能计量:用于计算电网中的电能消耗。

    三、接线方式的区别

    1. 电压互感器(PT)的接线方式

    星形接线:这种接线方式可以用于中性点不接地或小电流接地的系统,以及三相三线电路中。它可以提供相电压和线电压。

    V-V接线:也称为不完全星形接线,常用于6~10kV高压系统中,这种接线方式简单且经济,但只能用于三相三线系统,无法提供某些单相接地的保护信息。

    三台单相三绕组电压互感器构成YN,接线:这种接线方式可以用于中性点直接接地的系统中,提供更全面的电压信息。

    一台三相五柱式电压互感器代替三台单相三绕组电压互感器:同样用于中性点直接接地的系统,并且更加紧凑和经济。

    2. 电流互感器(CT)的接线方式

    三相完全星形接线:这种接线方式使用二台双绕组电流互感器分别测量ABC三相电流,适用于各种类型的短路保护。

    两相不完全星形接线:采用两台两相不完全星形接线的电流互感器,适用于所有不对称短路故障的保护,但不能用于对称三相短路故障。

    两相差接线:只需要两台任意两只电流互感器就能实现接线,适用于广泛的继电保护线路。

    三角形接线:主要用于平衡线路中电流互感器的剩余不平衡电流和减少误差。

    四、结构与性能差异

    1. 电压互感器(PT)的结构与性能

    结构特点:电压互感器的一次绕组具有较多的匝数,导线较细;二次绕组匝数较少且导线较粗一些。根据使用场合不同,可以分为干式、浇注式、油浸式等多种类型。干式结构简单且维护方便;浇注式适用于3~35kV户内装置;油浸式成本较高但冷却和散热性能好。

    性能指标:主要包括准确级次(如0.2、0.5、1.0、3.0级等)、容量(如20VA、50VA等)、额定变比等。此外,还有绝缘水平的要求,以确保在规定条件下能够正常工作。

    2. 电流互感器(CT)的结构与性能

    结构特点:电流互感器的一次绕组匝数非常少,甚至只有一匝,导线截面积相对较大以承受大电流;二次绕组匝数较多且导线较细。根据安装方式的不同,可以分为羊角式、穿墙式和支柱式等多种类型。羊角式可以放置在开关柜内;穿墙式专用于35kV及以下的户内链环电网;支柱式适用于户外环境。

    性能指标:主要包括额定容量(如15VA、20VA、30VA等)、额定变比(如750VA/5A、400VA/1A等)、准确级次等。此外,还有热稳定及动稳定的要求,以确保在短路等极端情况下仍能正常工作。

    五、发展趋势与挑战

    1. 电压互感器(PT)的发展趋势

    智能化:随着智能电网的发展,电压互感器正向着更加智能化的方向发展,集成更多的功能模块,如在线监测和远程通信等。

    高精度:为了提高电能计量的准确性和可靠性,未来的电压互感器将进一步提高其测量精度。

    小型化:为了满足空间有限的应用需求,电压互感器的体积将进一步缩小。

    绿色环保:新型环保材料和技术将被应用于制造过程中,减少对环境的影响。

    2. 电流互感器(CT)的发展趋势

    电子式发展:随着光互感器和电子式互感器技术的发展,传统的电磁式电流互感器正在向电子化方向发展。这些新技术提供了更好的动态范围、更高的精度和更快的响应速度。

    集成化设计:未来的电流互感器可能会与其他保护和监控设备集成在一起,形成一体化的解决方案。

    数字化接口:为了适应现代电力系统的数字化趋势,电流互感器将更多地采用数字输出接口。

    宽量程:新型互感器将具有更宽的量程范围,能够同时满足不同类型的测量需求。

    3. 面临的挑战

    技术复杂性增加:随着技术的进步,制造和维护电压互感器和电流互感器的技术复杂性也在增加。

    成本控制:新材料和技术的应用可能会导致成本上升,如何在保证性能的同时控制成本是一个挑战。

    标准化问题:随着新技术的出现,行业标准也需要不断更新和完善,以确保产品的互操作性和安全性。

  • 15

    2025-01

    电流电压互感器的作用及用途

    电流电压互感器的作用及用途:

    一、基本概念与原理

    1. 定义和工作原理

    电流互感器(Current Transformer,简称CT)和电压互感器(Potential Transformer,简称PT)是电力系统中两种重要的电气设备,主要功能是将大电流或高电压按比例转换为小电流或低电压,以便于测量、保护和控制。电流互感器利用电磁感应原理工作。当一次侧(被测电流侧)的大电流通过匝数较少的一次绕组时,在铁心中产生磁场,这个磁场通过二次绕组(测量侧),在匝数较多的二次绕组中感应出小电流。由于一次绕组的匝数远少于二次绕组,因此可以将大电流按比例转换为小电流。例如,常用的变比为400/5,即400A的大电流转换为5A的小电流。电压互感器同样基于电磁感应原理,主要由两个线圈组成:主线圈和次级线圈。当交流电压通过主线圈时,产生磁场,这个磁场在次级线圈中感应出电动势,其大小与主线圈的电压成正比,但数值较小,从而实现高电压到低电压的转换。

    2. 结构特点

    电流互感器通常由闭合的铁心和绕组组成,一次绕组与待测电流的负载线路串联,二次绕组与测量仪表或继电保护装置串接成闭合回路。为了确保安全,电流互感器的副边回路不得开路,否则会产生高压危险。 电压互感器的结构类似于变压器,包含主线圈和次级线圈,主线圈并联在需要测量电压的电路中,次级线圈输出低电压信号以供检测和测量。为了防止短路事故,电压互感器的次级绕组必须可靠接地。

    3. 重要性

    电流互感器和电压互感器在电力系统中扮演着关键角色,它们不仅使高电压和大电流的测量变得更加安全、准确,还为继电保护装置提供必要的信号,从而保障电力系统的稳定运行。

    二、电流互感器的作用

    1. 测量用途

    电流互感器主要用于将高电流转换为适合测量仪器和继电保护装置使用的小电流,便于对线路的工作状态进行监控。例如,大电流线路中的电流往往高达几千甚至几万千瓦培,通过电流互感器变为标准的5A或者1A,使得测量仪表能够准确、安全地进行测量。

    2. 保护用途

    在电力系统发生故障时,电流互感器能够及时检测到异常电流,并通过继电保护装置快速切断故障线路,防止故障扩展。比如,短路时会产生非常大的电流,电流互感器能迅速感应到这一变化,触发继电保护装置动作,从而保护电力设备和电路的安全。

    3. 特殊应用场景

    除了常规的测量和保护用途外,电流互感器在一些特殊场景中也有应用。例如,在电能质量监测中,通过实时检测电流波形,可以分析谐波含量和其他电能质量问题;在大电流实验室内,使用特殊设计的电流互感器来测量试验设备中的瞬态电流,以确保实验的准确性和安全性。此外,电流互感器还在电力系统的电能计量和能耗监测中发挥重要作用,帮助精确计算电能消耗,实现能源管理。

    三、电压互感器的作用

    1. 测量用途

    电压互感器主要用于将高电压信号按比例转换为低电压信号,以便测量和监控。常见的电压等级有10kV、35kV、110kV等。这些高电压信号通过电压互感器转换为标准的低电压信号(如100V),再输入到测量和控制系统中。例如,变电站内使用的电压表、电能(度)表和继电器等设备,都需要通过电压互感器来降低电压,确保测量精度和安全性。

    2. 保护用途

    在电力系统出现故障时,如电压过高或过低、单相接地故障等情况,电压互感器能迅速检测到异常电压变化,并将信号传递给继电保护装置和自动控制系统。这些系统可以根据电压互感器提供的实时数据,采取相应的保护措施,如断开故障电路,防止故障进一步扩大,保障电力系统的安全稳定运行。

    3. 绝缘监测

    电压互感器还可以用于绝缘监测。通过检测各相对地、相间的电压情况,可以判断电力设备的绝缘性能是否良好。例如,在三相电力系统中,如果某一相的绝缘性能下降导致漏电或短路,电压互感器可以迅速感知并发出报警信号,提醒维护人员及时检查和修复,避免因绝缘问题引发更严重的事故。

    四、技术参数与选择

    1. 主要技术参数

    额定电压和电流:这是选择互感器时首要考虑的因素。额定电压是指互感器能够长期承受的工作电压,而额定电流则是它能够准确测量的最大电流值。选择合适的额定值可以确保互感器在工作中既安全又准确。

    变比:变比是指一次侧和二次侧电量的比值。对于电流互感器,典型的变比有800/5、1200/1等;对于电压互感器,常见的变比如110kV/100V。选择合适的变比可以确保测量结果的准确性。

    准确级:准确级表示互感器的测量精度。不同的应用场景对准确级的要求不同,例如计费用的电能计量一般要求较高的准确级,而保护用的则可以适当放宽。

    容量:容量决定了互感器带负载的能力,在选择时应根据实际连接的测量、保护和自动装置的需求来确定。容量越大,互感器的负载能力越强。

    2. 选择方法

    明确需求:首先要明确使用环境的具体需求,包括被测电流或电压的范围、所需要的准确度、工作环境的温度和湿度等因素。这些都是选择合适互感器的重要依据。

    咨询专业意见:如果对互感器的选型不确定,咨询设备制造商或相关领域的专家。他们可以根据实际经验提供更为准确的建议,确保所选型号符合使用要求。

    考虑备用容量:在实际选择过程中,建议留有一定的备用容量。这样可以确保在极端条件下互感器依然能够正常工作,不影响整个系统的运行稳定性。

    3. 校准与维护

    为确保互感器的持续准确性和可靠性,必须进行定期校准和维护。根据国家相关标准,电力系统中的计量用互感器需定期检定,周期一般为3到5年。检修时需检查互感器的外观是否有裂纹、锈蚀或漏油现象,并进行清洁处理。对于存在缺陷的互感器应及时更换,确保电力系统的安全稳定运行。同时,应做好日常巡检记录,及时发现和解决潜在问题。

    五、发展趋势与展望

    1. 智能化趋势

    随着智能电网的发展,互感器正向智能化方向发展。智能互感器具备远程通信功能,可以实现数据的实时传输和监控。配合先进的数据处理算法,智能互感器不仅能提供高精度的测量数据,还能进行故障预判和自我诊断。例如,在某些高端应用场景中,智能电流互感器可以通过物联网技术将实时数据传输到控制中心进行分析和处理,大大提高了电力系统的管理效率。

    2. 新材料与新技术的应用

    新材料和新技术的发展为电流电压互感器的改进提供了更多可能性。例如,采用高温超导材料制造的互感器在电阻和效率方面具有明显优势,可以在更高温度下稳定工作,并且显著降低了能量损耗。此外,光学互感器利用法拉第效应感应原理,完全避免了传统电磁式互感器的一些缺点,如磁饱和和铁磁共振等问题,提高了测量精度和稳定性。

    3. 行业规范与标准更新

    随着技术的发展和应用需求的提升,相关的行业标准和规范也在不断更新和完善。例如,国际电工委员会(IEC)和国家标准(GB)都在不断推出新标准,对互感器的精度、可靠性和环保性能提出了更高的要求。新的标准不仅推动了互感器技术水平的提升,也促进了市场的规范化发展。企业需要紧跟标准的变化,不断创新和优化产品以满足新要求。

    六、结论

    电流电压互感器作为电力系统中的重要设备,承担着电流和电压转换的关键任务。它们的应用不仅提高了测量的安全性和准确性,还有效支持了电力系统的继电保护和自动控制功能。随着科技进步和智能电网的发展,智能化和新材料的应用将进一步推动电流电压互感器的技术创新和发展。未来的研究和应用应更加关注设备的精度、稳定性以及多功能集成,满足日益复杂的电力系统需求。

  • 20

    2025-01

    如何正确理解电压互感器的变比

    如何正确理解电压互感器的变比:

    在电力系统中,电压互感器(VT)是关键设备之一,其主要功能是将高电压转换为低电压,以便进行测量和保护操作。本文将详细探讨什么是电压互感器的变比、如何正确理解变比以及相关的技术细节。

    什么是电压互感器的变比?

    电压互感器的变比(Turns Ratio)是指一次侧绕组与二次侧绕组的匝数比,通常用K来表示。具体来说,它描述了输入电压和输出电压之间的比例关系。公式如下: [ K = frac{V1}{V2} = frac{N1}{N2} ] 其中:

    ( V1 ) 和 ( V2 ) 分别代表高压绕组和低压绕组的额定电压;

    ( N1 ) 和 ( N2 ) 分别代表高压绕组和低压绕组的匝数。

    变比规格表的重要性

    变比规格表详细描述了电压互感器的变比参数和技术要求,是选择和使用电压互感器的重要参考依据。了解和正确解读变比规格表,对于确保电压互感器的准确性和可靠性至关重要。

    如何正确理解电压互感器的变比

    变比的具体含义及作用

    一、基本概念

    电压互感器的变比定义了高压侧和低压侧绕组之间的电压转换比例。例如,一个变比为100:5的电压互感器,意味着高压侧100kV的电压在低压侧将被转换为500V。

    二、实际意义

    变比决定了电压互感器在电力系统中的实际应用场景。通过适当的变比,可以将高电压降低到标准或适合测量仪器操作的低电压水平,从而方便各种测量和保护设备的准确工作。此外,正确的变比设置还能提高系统的测量精度和稳定性。

    变比的选择与计算

    如何选择正确的变比

    选择电压互感器的变比需要考虑以下几个因素:

    系统电压等级:确定系统中常用的电压等级。

    测量和保护设备的需要:不同的设备对电压有不同的要求。

    额定容量:保证互感器在工作中不会超过其额定容量。

    计算变比的方法

    根据电压互感器的基本原理,变比可以通过以下公式计算: [ K = frac{V1}{V2} = frac{N1}{N2} ] ( V1 ) 和 ( N1 ) 分别代表高压侧的额定电压和匝数,( V2 ) 和 ( N2 ) 代表低压侧的额定电压和匝数。 举例来说,如果高压侧绕组的匝数是1000匝,低压侧绕组的匝数是2000匝,则变比为: [ K = frac{1000}{2000} = frac{1}{2} ] 这意味着高压侧100kV的电压,在低压侧将被转化为50kV。

    变比的应用实例

    例一:电力变压器中的应用

    在电力变压器中,电压互感器通常接在高压侧,用于监控电网电压。假设系统电压为110kV,选用变比为110kV/110V的电压互感器,可以将高电压转换为标准的110V,便于仪表测量和监控。

    例二:微机保护装置中的应用

    在微机保护装置中,电压互感器的变比设置直接影响保护装置的响应和敏感性。例如,在一个220kV的系统中,使用变比为220kV/100V的电压互感器,可以确保保护装置准确感知和响应电压变化,提高电力系统的安全性。

    总结

    正确理解和选择合适的电压互感器变比是电力系统设计和运行中的关键步骤。通过了解变比规格表和相关技术参数,可以确保电压互感器在不同应用场合中的高效、稳定和安全运行。希望本文提供的详细信息能帮助您更好地掌握电压互感器变比的基本概念和应用方法。

  • 11

    2024-12

    电流测试仪器检测仪的作用

    电流测试仪器检测仪的作用:

    在现代电气工程和电子技术领域,准确测量电流对于确保电路安全、可靠运行至关重要。电流测试仪器检测仪作为一种专业的测量工具,在电力系统、电子设备维护及研发中扮演着重要的角色。本文将探讨电流测试仪的工作原理、应用场景及其重要性,旨在为读者提供一个全面而深入的认识。

    一、电流测试仪器检测仪的基本功能与原理

    电流测试仪器主要用于测量电路中的电流强度,它能够将电流值转换为可读数的形式显示出来,帮助工程师或技术人员了解电路的工作状态。这些测试仪器通常基于电磁感应定律或者使用电子传感器来捕捉电流信号。例如,分流器方法通过串联一个小阻值电阻于电路中,然后测量该电阻两端的电压降来计算电流大小;而霍尔效应传感器则利用磁场变化引起的电压变化来间接测量电流。

    二、应用场景

    电力系统监测:在输配电网络中,定期检查线路是否存在异常泄漏电流是保证供电安全性的重要措施之一。泄漏电流测试仪可以有效地检测出由于绝缘老化等原因导致的微小漏电现象,从而避免潜在的安全隐患。

    电池性能评估:对于新能源汽车而言,准确掌握动力电池组的健康状态非常重要。通过对充放电过程中各单体电池间的差异进行分析,可以及时发现问题所在并采取相应措施延长使用寿命。

    电机控制优化:在工业自动化生产线上,精确控制电动机运转速度和扭矩离不开对实际输出电流的实时监控。这有助于提高能效比并减少能耗损失。

    故障诊断与排除:无论是家电维修还是复杂系统的调试过程,快速定位故障点往往需要借助专业级电流表的帮助。它们能在短时间内提供详尽的数据支持,加速解决问题的速度。

    三、重要性分析

    安全性提升:不正确的电气安装或设备损坏都可能造成严重的人身伤害甚至火灾事故。定期使用合格的电流检测仪进行巡检,可以及早发现隐患并加以修正,大大降低事故发生的概率。

    效率增强:合理的能源管理和高效的能量转换依赖于对整个系统中各个部分工作状况的准确把握。借助精密仪器获得的数据可以帮助决策者制定更加科学合理的操作策略。

    成本节约:虽然初期投资可能相对较高,但长期来看,良好的维护保养习惯能够显著减少因突发状况导致的停机时间以及更换零件的频率,进而降低总体运营费用。 随着科技的进步和社会的发展需求不断增长,电流测试仪器检测仪已经成为了各行各业的重要组成部分。正确选择适合自身需求的型号,并按照说明书指导合理操作,才能充分发挥其应有的作用,为企业创造更多价值的同时保障人民生命财产安全。

  • 13

    2024-12

    电流钳表功能解析

    电流钳表功能解析:

    一、引言

    电气测量故障诊断领域,电流钳表(或称钳形电流表)是一种至关重要的专业工具。它以其便携性、易用性和高效性,成为电气工程师、技术人员以及家庭DIY爱好者必备的测量工具之一。本文将深入探讨电流钳表的功能、工作原理、使用方法及其在不同应用场景中的优势,以期为读者提供一个全面而详尽的参考。

    二、电流钳表的基本功能

    1. 非侵入式电流测量

    电流钳表核心的功能是在不断开电路的情况下测量电流。这一特性极大地提高了电气测量的安全性和便捷性。传统的电流测量方法往往需要断开电路,并将电流表串联到电路中,这不仅操作繁琐,还可能影响电路的正常运作。而电流钳表通过其独特的设计,只需将待测导线放入钳口即可实现电流的测量,无需中断电路的正常运行,大大提升了工作效率。

    2. 交流/直流电流测量

    电流钳表通常具备测量交流和直流电流的能力。在工业、商业及住宅电气系统中,交流电是主要的供电形式,而在某些特定应用中(如电池供电系统、信号处理电路等),直流电同样重要。电流钳表能够灵活应对这两种电流类型,使得其在各种场合下都能发挥出色的测量性能。

    3. 其他扩展功能

    随着技术的不断进步和应用需求的多样化,现代电流钳表除了基本的电流测量功能外,还集成了多种扩展功能。例如:

    电压测量:部分电流钳表还具备电压测量功能,可以同时测量电路中的电压值。

    频率检测:在电力系统中,频率的稳定性对于设备的正常运行至关重要。一些电流钳表可以检测电流的频率,帮助用户判断电力质量。

    数据记录与分析:高端电流钳表支持数据记录功能,能够存储和分析测量数据,方便用户进行后续的数据处理和故障诊断。

    电流钳表功能解析

    真有效值(RMS)测量:真有效值测量功能使得电流钳表能够准确测量包含谐波成分的复杂电流波形的有效值。

    漏电检测:通过特定的测量模式,电流钳表还可以用于检测电路中的漏电情况,提高电气安全水平。

    三、电流钳表的工作原理

    1. 电磁感应原理

    电流钳表基于电磁感应原理设计而成。当导体中有交变电流通过时,在其周围会产生一个交替变化的磁场。这个磁场的磁力线穿过电流钳表的铁芯,在铁芯上产生感应电动势(EMF)。根据法拉第电磁感应定律,感应电动势的大小与穿过铁芯的磁通量的变化率成正比。因此,通过测量感应电动势的大小,就可以间接测量出导体中的电流值。

    2. 铁芯与线圈结构

    电流钳表的内部包含一个铁芯和一个绕在铁芯上的线圈。铁芯通常采用高导磁率的材料制成,以便增强磁场的强度并提高测量精度。线圈则负责将感应出的微小电压信号转换为可读的电流值。当电流钳表的钳口闭合时,铁芯上的线圈感应出电动势;当钳口打开时,则没有电流通过线圈,从而形成一个开关控制电路,使得测量过程更加简便快捷。

    3. 转换电路与显示单元

    除了铁芯和线圈外,电流钳表还需要配备转换电路和显示单元才能完成电流的测量和显示工作。转换电路将线圈感应出的微弱电压信号放大并转换为数字信号;显示单元则负责将这个数字信号以直观的方式展示给用户。现代电流钳表通常采用液晶显示屏作为显示单元,具有清晰、直观、易于读取等优点。

    四、电流钳表的使用方法

    1. 准备工作

    在使用电流钳表之前,需要做好以下准备工作:

    选择合适的档位:根据被测电流的大致范围选择合适的档位。如果不确定电流大小,可以先选择最大量程进行预试,然后逐步调整到合适的量程。

    检查仪表状态:确保电流钳表处于正常工作状态,无损坏或异常现象。

    清洁钳口:保持钳口清洁无杂物,以免影响测量精度。

    2. 测量步骤

    (1)估计被测电流大小:在进行电流测量前,首先需要估计被测电流的大小。这可以通过查看设备的铭牌、技术规格书或使用其他辅助工具(如万用表)来完成。了解被测电流的大致范围有助于选择合适的量程和避免测量过程中的意外情况。 (2)选择合适的量程:根据估计的被测电流大小,选择合适的量程进行测量。量程的选择应略大于被测电流的实际值,以确保测量结果的准确性和仪表的安全性。如果不确定如何选择合适的量程,建议从最大量程开始逐渐减小至合适量程。 (3)关闭被测电路的电源:在进行测量之前,必须关闭被测电路的电源以确保人身安全和仪表的安全。这是电流测量中非常重要的一步,务必严格遵守。 (4)开启电流钳表:在确认被测电路电源已关闭后,按照电流钳表的使用说明正确开启仪表。检查仪表显示屏是否正常工作,确保仪表处于良好的工作状态。 (5)设置量程:根据之前估计的被测电流大小,在电流钳表中选择合适的量程。注意不要在带电情况下切换量程以防损坏仪表或造成人身伤害。 (6)测量电流:将电流钳表的钳口套入一根被测导线中(注意不要将两根导线同时放入钳口以免影响测量结果),然后缓慢闭合钳口直至听到清晰的“咔嗒”声表示钳口已完全闭合且锁定到位。此时可以观察到电流钳表显示屏上显示出的当前电流值。为了获得更准确的结果,可以多测量几次取平均值作为最终结果。 (7)读取数据:直接从电流钳表的显示屏上读取测量数据即可。注意记录数据时要精确到小数点后两位或更多位数以提高测量精度。此外还要关注数据的单位是否符合要求(如安培A、毫安mA等)。 (8)结束测量:完成测量后首先要打开钳口取出被测导线并整理好仪器和场地。然后将量程旋钮调至最大量程位置以避免下次使用时忘记调整量程导致误操作损坏仪表。最后关闭电流钳表电源并将其收好放回原位以备下次使用。

    五、应用场景与优势

    1. 工业与电力系统

    在工业和电力系统中,电流钳表广泛应用于变电站、配电室、生产线等场所的电流监测和故障排查。其非侵入式测量的特点使得在不停电的情况下也能快速准确地获取电流数据,大大提高了系统的运行效率和安全性。同时,电流钳表还能帮助工程师识别潜在的电气问题,如过载、不平衡负载等,从而及时采取措施避免故障的发生。

    2. 建筑与家居电气维护

    在建筑和家居电气维护中,电流钳表同样发挥着重要作用。无论是检查家用电器的能耗情况,还是排查电路中的短路、漏电等问题,电流钳表都能提供快速有效的解决方案。此外,其便携式的设计使得用户可以随时随地进行测量,极大地方便了电气维护工作的进行。

    3. 汽车与航空航天领域

    在汽车和航空航天领域,电流钳表被用于检测车辆或飞机的电气系统性能。例如,在汽车维修中,技师可以使用电流钳表来测量蓄电池的充电状态、发电机输出电流以及电路中的故障点;在航空航天领域,电流钳表则用于监测飞行器电气系统的运行状态,确保飞行安全。这些应用充分展示了电流钳表在高精度、高可靠性方面的优势。

    4. 教育与科研领域

    在教育和科研领域,电流钳表也被广泛用于实验教学和科学研究中。学生和研究人员可以利用电流钳表来进行各种电气实验,如验证欧姆定律、研究交流电的特性等。此外,电流钳表还可以与其他测量仪器配合使用,形成一套完整的电气参数测试系统,为科学研究提供有力的技术支持。

    六、结论

    电流钳表作为一种功能强大的电气测量工具,在多个领域都发挥着不可替代的作用。其非侵入式测量、广泛适用于交流/直流电流等特点使得它成为了电气工程师、技术人员以及家庭DIY爱好者的首用工具之一。随着科技的进步和应用领域的不断拓展相信未来电流钳表将会在精度、可靠性、功能性等方面实现更大的突破和创新为用户提供更加优质、高效的服务体验。

  • 09

    2024-09

    电流传感器的频率测试

    电流传感器的频率测试

    引言

    许多电流互感器和电流传感器越来越多地被测试并规定其带宽。标准化也在定义更高频率组件的精度等级。IEC61869系列的基础在2023年进行了更新。高达150 kHz的精度等级主要用于电力质量应用。

    电流传感器的频率测试

    图1:电流互感器和电流传感器的精度等级

    150至500 kHz的范围适用于基于行波的保护应用。

    只有少数实验室提供这些精度测试。一般来说,测试装置也不符合根据IEC 17025的测量参考系统,这意味着应该选择有良好声誉的测试实验室。

    制造商和用户也可以进行自己的测试。然而,目前市场上还没有标准的设备。应该提前仔细考虑设置。

    增益相位测量

    2012年的技术报告IEC TR 61869-103已经提供了初步的帮助,其中发布了首个合适的测试装置。

    image

    图2:根据IEC TR 61869-103的CT频率响应测试电路图


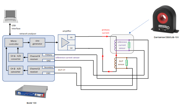
    现在也有一些设备非常完善的网络分析仪,它们提供了易于使用的软件来进行这些测试。可以在几秒钟内完成800个或更多的测量点的频率扫描。一个例子是OMICRON Lab的Bode 100。其结构在下面的示意图中以图解方式显示。

    image

    图3:带有Bode 100和Danisense DS50UB-10V的测试装置


    建议使用输出电压为10伏的Danisense磁通门电流传感器作为参考传感器。这个输出信号也与Bode 100的输入通道兼容。在Bode Analyzer Suite中,你可以轻松选择参考传感器和被测试设备(DUT)的传递比。

    image

    分析不同的波形

    网络分析仪的输出信号总是正弦波形。

    通常也需要确定实际传感器可以传输哪些信号形式。为此使用示波器。下面显示了Danisense参考传感器和测试传感器的波形。

    image

    image

    image

    image

    image

    image


Baidu
map